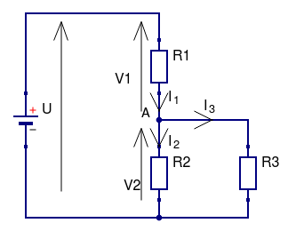
Exercice 3⚓
Sur le schéma électrique ci-contre, la tension d'alimentation vaut : U=15V. La tension V2 = 10V.
A l'aide de la loi des mailles, exprimer V1 en fonction de U et de V2.
Calculer V1.

Sachant que \(I_1=10mA\) et \(I_2=7mA\) :
Exprimer \(I_3\) en fonction de\( I_1\) et de \(I_2\)
Calculer \(I_3\) en mA
Calculer la valeur en ohm des 3 résistances R1, R2, R3