Exercice 2 : Loi des nœuds⚓
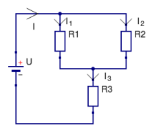
Montage 1
La mesure des intensités des courants sur le montage ci-contre a donné :
I = 30 mA, I1 = 20mA
Calculer la valeur de I3.

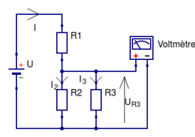
Montage 2
Sur le schéma ci-contre, la mesure au voltmètre a donné : UR3 = 3V. Sachant que R3 = 100Ω et R2 = 220Ω :
Calculer la valeur des intensité des courant I3 et I2.

Calculer la valeur de l'intensité du courant I.