Ampèremètre⚓
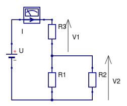
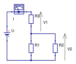
Dans le montage ci-contre, l'intensité du courant I mesuré par l' ampèremètre est de 10mA. La résistance R3 et de 1kΩ. On a également R1 = R2 = 2kΩ.
Calculer la valeur de V1.

Après les avoir fléché sur le schéma, calculer la valeur de l'intensité des courants I1 et I2 traversant les résistances R1 et R2.
Calculer la valeur de la tension V2
Calculer la valeur de la tension U du générateur qui alimente les résistance.