Loi des mailles⚓
Montage 1
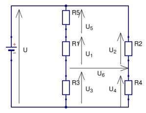
La tension du générateur du montage suivant vaut 10 Volts. Grâce à un voltmètre on connaît la valeur des tensions U1 = 3V, U5=1V et U3 = 2V.
A l'aide de la loi des mailles, déterminer la valeur de U2 puis de U4

Montage 2
Sachant que les mesures au voltmètre du montage ci-contre a donné : U=3V, U4=2,5V, U1=1,5V, U5=0,5V
Calculer U2 et U3.

Calculer U6