Exercice 1 : Résistances⚓
Résistances séries
Représenter ci-dessous un schéma électrique comprenant 3 résistances R1, R2, R3 en série.
Sachant que R1 = 1kΩ R2=2,7 kΩ, R3=46Ω, calculer la valeur de la résistance équivalente à ces 3 résistances séries :
Résistances parallèles
Représenter par un schéma électrique ci-dessous, un montage comprenant 2 résistances R1 et R2 en parallèle :
Calculer la résistance équivalente avec R1 = R2 = 1000Ω.
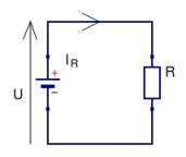
Loi d'ohm

Un générateur délivrant une tension de 9V est branché aux bornes d'une résistance de 1kΩ
Calculer la valeur de l'intensité du courant IR, qui traverse la résistance en Ampère puis en mA