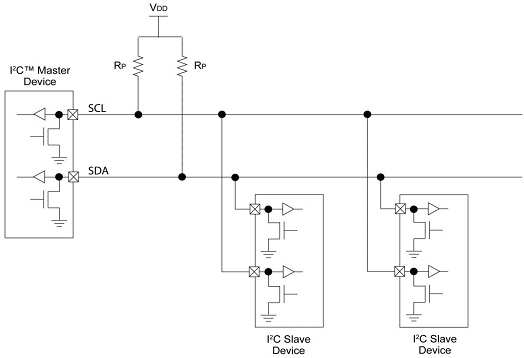
Communication série au sein d'un système : Bus I2C